iSpring RCC7P Review

No Comments
iSpring RCC7P

iSpring RCC7P

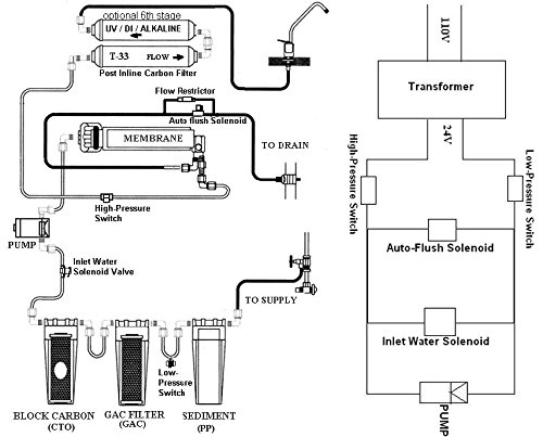
Brand new 5-Stage 75GPD Complete RO system with Built-in Booster Pump, Luxury faucet, Clear housing on 1st stage, 3.2 Gallon NSF Certified Tank and all Quick-Connect Fittings! Booster pump assembly: the built-in assembly includes booster pump, solenoid valve, pressure switch and transformer. Product Highlights - Perfect for residential use when low water pressure is a concern - Clear housing on first stage permit you to observe filter status - Electrical pump is more powerful and reliable than permeate pump - Water-Saving Features - NSF Listed Tank - New Features: Compatible with both 110V and 220V - Free tech support before and after sale 5 Stages of Filtration bring clean water to your family 1st Stage: 5 micron high-capacity polypropylene sediment filter 2nd Stage: GAC Carbon Filter 3rd Stage: CTO Carbon Filter 4th Stage: High Rejection 75GPD TFC reverse osmosis membrane 5th Stage: Total Polishing Inline Carbon 10" System Capacity: 75 gallons per day at 50/60 psi & 77 di...

Read more about iSpring RCC7P on the main market. Please click button bellow to visit iSpring RCC7P market.

iSpring RCC7P Features

  • Ideal for places with water pressure lower than 35 psi. A booster pump helps increase incoming water pressure to improve RO efficiency delivers great tasting RO water at faucet and fill storage tank 2-3x faster
  • Manufacturer direct sale price from Top Rated USA brand since 2005, genuine Premium Quality RO system for both city and well water
  • Best value RO system from trust worthy company - endless near pure great tasting water rejecting up to 99% of 1000+ pollutants at merely 2 cents per bottle
  • Save about 40% of water with 2:1 waste ratio as compared to 3:1 or even greater in other RO systems
  • 0-day Money Back Policy and 1-year Satisfaction Guarantee, DIY video on YouTube, Lifetime Free Tech Support from our Atlanta facility (678) 261-7611
  • Free Upgrades since Jul 2014: Improved Packaging (No more DOA), Easy-to-follow Instruction (also on our website), 3/8" one piece Feed Water Adapter (make tapping into water line easier), Easy-to-follow Instruction (also on our website)

For more details about iSpring RCC7P, please click button bellow. You can see more detais and another comparisson product.

Next PostNewer Post Previous PostOlder Post Home

0 comments

Post a Comment